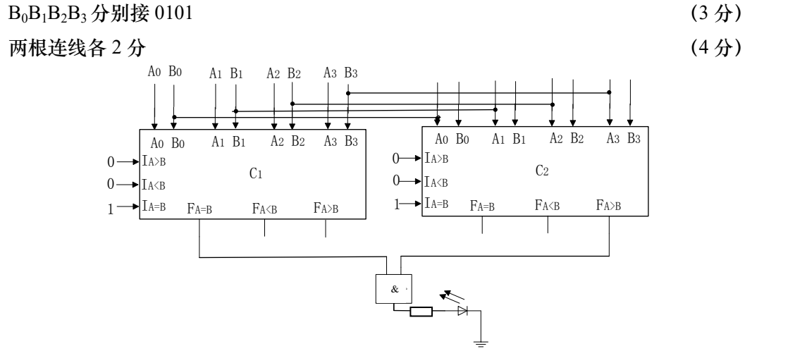
用两片4位数据比较器74LS85,设计实现当输入的两个4位二进制数字A和B相等而且大于10时,发光二极管可以被点亮。给出C2的B0,B1,B2,B3输入的值,并完成电路的连线。
扫描微信二维码,添加您的专属老师为好友
您在考试中遇到任何问题,老师都会帮您解答
您希望我们通过哪种方式与您联系?
您已选择电话/微信/QQ的联系方式,课程顾问会尽快联系您!
您已选择微信联系方式,课程顾问会尽快添加您的微信,请您确认通过!
您已选择QQ联系方式,课程顾问会尽快添加您的QQ,请您确认通过!
您已选择电话联系方式,课程顾问会尽快联系您!
您已选择“不联系”,课程顾问不会主动联系您。如果后续您有需求,可以在个人中心主动添加销售微信或拨打客服电话:400-111-9811