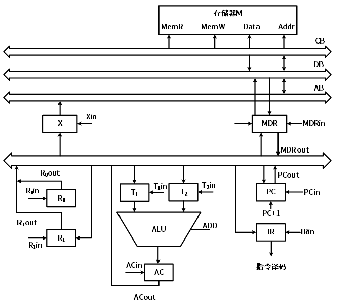
某计算机的数据通路如下。
(1)X寄存器是什么,有什么作用?(2)T1,T2是什么,有什么作用?(3)有一个存在内存中的立即数D, ADD R1, D: (R1)+D→R1。 写出取指令的指令流程并写出控制信号序列,写入表1;写出执行指令流程,写入表2。(4)有一个指令给出了Rx和位移量D,写出(Rx)+((Ry)+D)→Ry指令流程至表三Ry为R1,Rx为R0。
答:(1)存储器地址寄存器(MAR),用于存放将被访问的存储单元的地址。(2)模型机采用了单总线结构,因此若无暂存器T1和T2,则ALU的两个端口会同时获得两个相同的数据,使数据通路不能正常工作。(3)该指令的指令周期流程如下表所示:
(4)该指令的指令周期流程如下表所示:
扫描微信二维码,添加您的专属老师为好友
您在考试中遇到任何问题,老师都会帮您解答
您希望我们通过哪种方式与您联系?
您已选择电话/微信/QQ的联系方式,课程顾问会尽快联系您!
您已选择微信联系方式,课程顾问会尽快添加您的微信,请您确认通过!
您已选择QQ联系方式,课程顾问会尽快添加您的QQ,请您确认通过!
您已选择电话联系方式,课程顾问会尽快联系您!
您已选择“不联系”,课程顾问不会主动联系您。如果后续您有需求,可以在个人中心主动添加销售微信或拨打客服电话:400-111-9811