题库
案例题
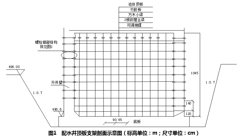
某公司中标污水处理厂升级改造工程,处理规模为70万m 3/D。其中包括中水处理系统。中水处理系统的配水井为矩形钢筋混凝土半地下室结构,平面尺寸17.6×14.4,高11.8,设计设计水深9米;底板、顶板厚度分别为1.1m,0.25m。
施工过程中发生了如下事件:
事件一:配水井基坑边坡坡度1:0.7(基坑开挖不受地下水影响),采用厚度6~10cm的细石混凝土护面。配水进顶板现浇施工采用扣件式钢管支架,支架剖面如图1所示。方案报公司审批时,主管部门认为基坑缺少降、排水设施,顶板支架缺少重要杆件,要求修改补充。
事件二:在基坑开挖时,现场施工员认为土质较好,拟取消细石混凝土护面,被监理工程师发现后制止。
事件三:项目部识别了现场施工的主要危险源,其中配水井施工现场主要易燃易爆物体包括脱模剂、油漆稀释料...。项目部针对危险源编制了应急预案,给出了具体预防措施。



事件四:施工过程中,由于设备安装工期压力,中水管道未进行功能性试验就进行了道路施工(中水管在道路两侧)。试运行时中水管道出现问题,破开道路对中水管进行修复造成经济损失180万元,施工单位为此向建设单位提出费用索赔。
3、事件二中,监理工程师为什么会制止现场施工员行为?取消细石混凝土护面应履行什么手续? 


参考答案: 查看答案 查看解析 APP刷题
相关知识点试题
相关试卷
咨询
咨询客服
咨询客服